Special Tools
EN 38188 Cylinder Head Broken Bolt Extractor Kit - or equivalent aftermarket tool
For equivalent regional tools, refer to Special Tools.
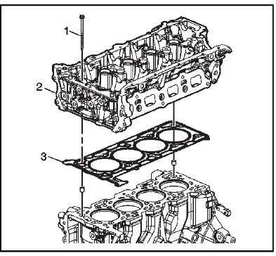
1.
.png)
Remove and discard the cylinder head bolts (1).
CAUTION: In order to prevent damage to the valves and injectors during cylinder head removal, set the cylinder head on blocks.
2. Remove the cylinder head (2).
3. Remove the cylinder head gasket (3).
4. Inspect the cylinder head locating pins. Remove the locating pins and discard, if necessary.
5. Clean all of the gasket surfaces.
6. Use the following procedures when cleaning the cylinder head and cylinder block surfaces:
NOTE: Do not use any other method or technique to clean these gasket surfaces.
NOTE: Be careful not to gouge or scratch the gasket surfaces. Do not gouge or scrape the combustion chamber surfaces. The feel of the gasket surface is important, not the appearance. There will be indentations from the gasket left in the cylinder head after all of the gasket material is removed.
These small indentations will be filled in by the new gasket.
NOTE: Do not use a tap to clean the cylinder head bolt holes.
7. Clean the old sealer/lube and dirt from the bolt holes.
8. Clean the bolt holes with a nylon bristle brush.
WARNING: Wear safety glasses to avoid injury when using compressed air or any cleaning solvent. Bodily injury may occur if fumes are inhaled or if skin is exposed to chemicals.
9. When cleaning the cylinder head bolt holes use a suitable commercial spray liquid solvent and compressed air from an extended-tip blow gun to reach the bottom of the holes.
10. Remove any broken long cylinder head bolts using the EN 38188 kit.
BALANCER SHAFT WITH OIL PUMP REMOVAL
1.
.png)
NOTE: DO NOT remove or loosen the balancer assembly bolts that join the two halves of the assembly together. Identify the bolts that retain the balancer assembly to the lower crankcase and ensure only these bolts are removed.
Remove the 8 balancer and oil pump shaft assembly bolts (1) along the perimeter of the assembly.
2. Remove the balancer and oil pump shaft assembly (2).
PISTON, CONNECTING ROD, AND BEARING REMOVAL
1.
.png)
Rotate the crankshaft to a position where the connecting rod bolts are the most accessible.
2. Mark the connecting rod and cap with the cylinder position. Also mark their orientation. This will ensure the caps and connecting rods are re-assembled properly.
3. Remove any ridge at the top of the cylinder bore to avoid damage to the piston ring lands.
4. Remove and discard the connecting rod bolts (2).
5. Remove the connecting rod cap (1).
6.
.png)
Remove the piston and connecting rod assembly (1).
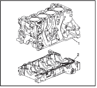
LOWER CRANKCASE REMOVAL
1.
.png)
Remove the oil pump flow control valve (2) and bolts (1, 3).
2.
.png)
Remove the oil gallery plugs (1, 2).
3.
.png)
NOTE: Separate, mark, and organize all reusable lower crankcase bolts to ensure installation in the correct locations.
Remove the lower crankcase bolts (2, 3) from the perimeter of the lower crankcase.
4. Remove and discard the inner lower crankcase bolts (1).
5. Gently separate the lower crankcase (4) from the block.
CRANKSHAFT AND BEARING REMOVAL
Crankshaft End Play Measurement
1. Place a dial indicator at the crankshaft nose.
2. Gently force the crankshaft to the extreme front and rear positions with a pry tool while monitoring the movement of the dial indicator.
3. The crankshaft end play should not exceed specifications. Refer to Engine Mechanical Specifications.
4. If the specifications are exceeded inspect the thrust bearing and the crankshaft thrust wall for wear. Refer to Engine Mechanical Specifications.
5. Replace the thrust bearing or crankshaft as necessary.
Crankshaft and Bearing Removal
1.
.png)
Remove the crankshaft (1) from the block.
2. Remove the crankshaft rear oil seal (2) from the block and discard.
3.
.png)
NOTE: Crankshaft bearings MUST be separated, marked, or organized in a way to ensure installation to their original location and position, when suitable for use.
Remove the crankshaft upper bearings (1) and the crankshaft upper thrust bearing (2) from the block.
4.
.png)
Remove the crankshaft lower bearings (2) from the lower crankcase (1).
5. Clean the oil, sludge, and carbon.
6. Inspect the oil passages for obstructions.
7. Inspect the threads.
8. Inspect the bearing journals and the thrust surfaces for the following conditions:
9. Inspect the corresponding bearing inserts for imbedded foreign material. If foreign material exists find the cause and repair it.
NOTE: Replace the crankshaft if cracks, severe gouges or burned spots are found.
Slight roughness may be removed with a fine polishing cloth soaked in clean engine oil. Burrs may be removed with a fine oil stone.
10. Measure the crankshaft journals. Use a micrometer or dial indicator to measure the taper and runout. Note the result for the later selection of bearing inserts. If not within limits the crankshaft must be replaced.
Note the location of the main bearing high spots. If they are not in line, the crankshaft is bent and must be replaced.
ENGINE BLOCK DISASSEMBLE
1.
.png)
Remove the engine oil gallery plugs (1, 2) from the rear of the block.
2.
.png)
Remove the engine oil gallery plugs (2, 3, 4) from the left side and front of the block.
3. Use a suitable hook tool to catch the clip feature and gently remove the engine block coolant baffle (1).
4.
.png)
Remove the engine coolant heater (1), if equipped. Remove the engine coolant heater hole plug (2) if the heater is not present.
5.
.png)
Remove the engine oil pressure sensor (1).
6.
.png)
Remove the knock sensors (1, 4) and bolts (2, 3).
7.
.png)
Remove the crankshaft position (CKP) sensor (2) and bolt (1).
8.
.png)
Loosen the piston oil nozzle assembly bolt (1) and remove the piston oil nozzle assembly (2).
ENGINE BLOCK CLEANING AND INSPECTION
Special Tools
GE-7872 Magnetic Base Dial Indicator
For equivalent regional tools, refer to Special Tools.
1.
.png)
Ensure proper use of room temperature vulcanizing (RTV) sealant. Use of Room Temperature Vulcanizing (RTV) and Anaerobic Sealant.
2. Clean the sealing material from the engine block (1) and lower crankcase (2) gasket mating surfaces with a suitable tool.
3. Clean the engine block and lower crankcase in a cleaning tank with solvent appropriate for aluminum.
4. Flush the engine block with clean water or steam.
5. Clean the oil passages.
6. Clean the blind holes.
7. Spray the cylinder bores and the machined surfaces with engine oil.
8. Inspect the threaded holes. Clean the threaded holes with a rifle brush. If necessary, drill out the holes and install thread inserts. Refer to Thread Repair.
9.
.png)
NOTE: Do not attempt to machine the lower crankcase to engine block surfaces.
Use a straight edge (1) and a feeler gauge (2) to check the deck surface for flatness. Carefully machine minor irregularities. Replace the block if more than 0.254 mm (0.010 in) must be removed.
10. Inspect the oil pan rail for nicks. Inspect the front cover attaching area for nicks. Use a flat mill file to remove any nicks.
11.
.png)
Inspect the mating surfaces of the transmission face.
CAUTION: A broken flywheel may result if the transmission case mating surface is not flat.
12. Use the following procedure in order to measure the engine block flange runout at the mounting bolt hole bosses:
13.
.png)
Install the bed plate and bolts. Tighten the bed plate bolts to specification.
NOTE: A commercially available bore gauge with dial indicator graduations in ten thousandths inch (0.0001") is necessary for measuring engine specification range.
14. Inspect the crankshaft main bearing bores. Use a commercially available bore gauge to measure the bearing bore concentricity and alignment. Refer to Engine Mechanical Specifications.
15. Replace the engine block and bed plate if the crankshaft bearing bores are out of specification.
16. Remove the bed plate.
Measuring Cylinder Bore Diameter
1.
.png)
Check the cylinder condition. Some light vertical marks may be visible on the cylinder wall. In these areas, check that the honing marks are still visible in this marked area. If they are, the cylinder surface has not been compromised and the engine block can be used.
NOTE: A commercially available bore gauge with dial indicator graduations in ten thousandths inch (0.0001") is necessary for measuring engine specification range.
2. Measure the cylinder bore diameter 35 mm (1.378 in) from the deck face using a commercially available bore gauge.
3. Compare your results with the Engine Mechanical Specifications. If the cylinder diameter exceeds the specifications, replace the engine block.
Measuring Cylinder Bore Taper
1.
.png)
Measure the cylinder bore along the thrust surfaces, perpendicular to the crankshaft centerline, at 10 mm (0.394 in) below the deck surface (1) and record your measurement.
2. Measure the cylinder bore along the thrust surfaces, perpendicular to the crankshaft centerline, at 125 mm (4.921 in) below the deck surface (2) and record your measurement.
3. Calculate the difference between the 2 measurements. The result will be the cylinder taper.
4. Compare your results with the Engine Mechanical Specifications. If the cylinders exceed the specifications, replace the engine block.
Measuring Cylinder Bore Out-of-Round
1.
.png)
Measure both the thrust and non-thrust cylinder diameter at 10 mm (0.394 in) below the deck surface (1).
Record your measurements.
2. Calculate the difference between the 2 measurements. The result will indicate out-of-round at the upper end of the cylinder.
3. Measure both the thrust and non-thrust cylinder diameter at 125 mm (4.921 in) below the deck surface (2).
Record your measurements.
4. Calculate the difference between the 2 measurements. The result will indicate out-of-round at the lower end of the cylinder.
5. Compare your results with the Engine Mechanical Specifications. If the cylinders exceed these specifications, replace the engine block.
Crankshaft Balancer Cleaning and Inspection
Piston and Connecting Rod Assemble
Cylinder Head Disassemble
DTC B1405, B1825, B2355, B2365, or B2375 (Driver Seat)
Description and Operation